Logisim: сумматор с памятью, умножатор
Сумматор с памятью

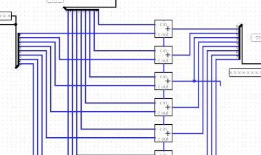
Принцип работы сумматора с памятью довольно прост. В основе сумматора с памятью лежит обычный восьмибитный сумматор с подключенными к нему D-тригерами. После произведения вычислений мы нажимаем на кнопку и значения записываются в память.
Далее на входе стоит мультиплексор. Мультплексор, как мы знаем, это устройство, которое умеет подавать разные значения на выход, подобно пульту.
После нажатия кнопки возле мультиплексора на вход подаётся уже число из памяти и происходит сложение.
Умножатор

Умножатор работает по принципу обычного умножения в столбик: сначала все цифры первого числа на 1 цифру второго, потом все цифры первого числа на 2 цифру второго и так далее.
